
可测交流、直流和脉冲信号
抗外界干扰强,共模抑制比大
低温漂、响应时间快、频带宽
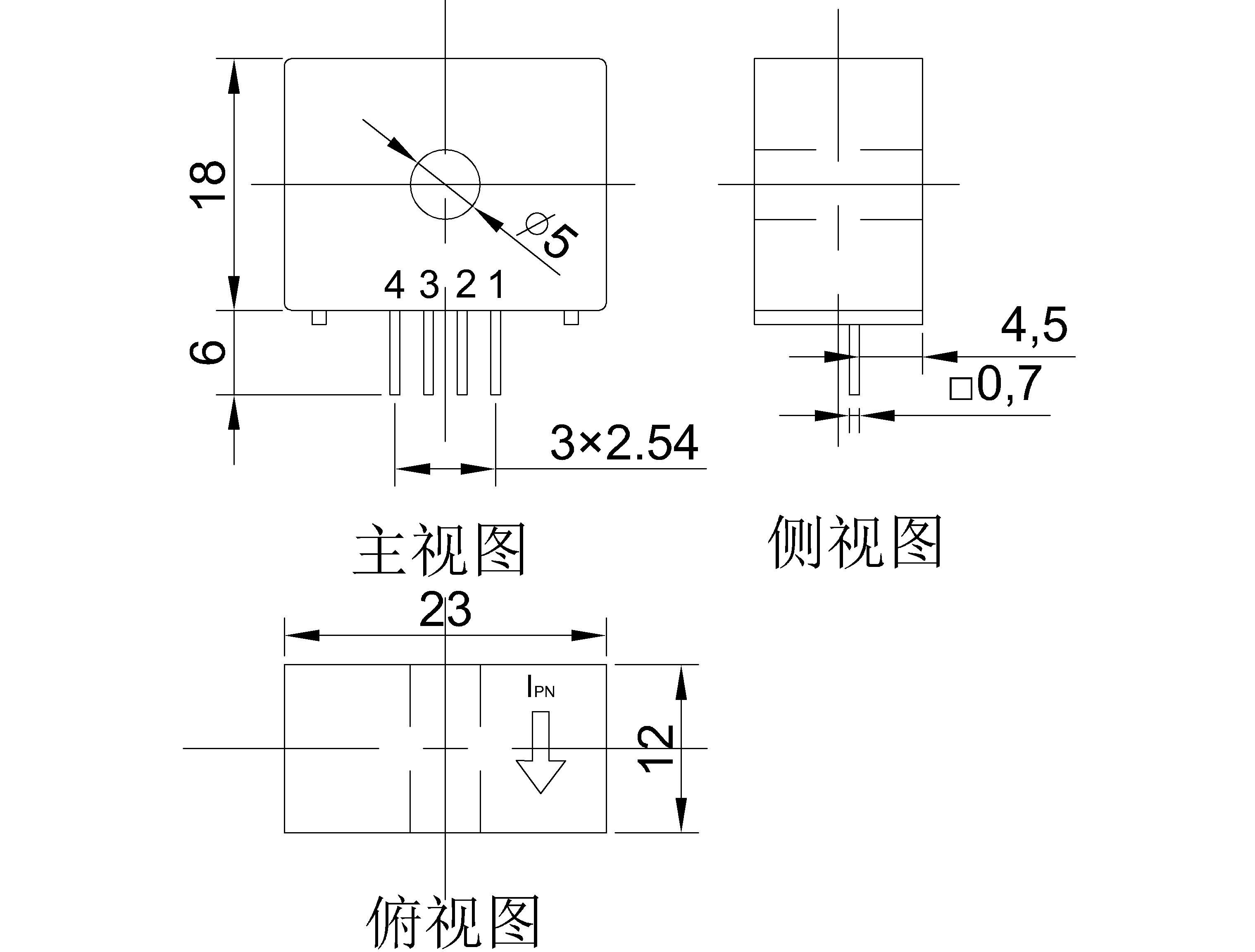
穿孔结构,无插入损耗
交流变频调速
伺服电机牵引
不间断电源(UPS)
电焊机、电池电源
| 规 格 | 10A/1V | 20A/1V | 40A/1V | 单位 | |
|---|---|---|---|---|---|
| I PN | 额定原边输入电流 | 10 | 20 | 40 | A |
| IP | 原边电流测量范围 | 0~±20 | 0~±40 | 0~±60 | A |
| VSN | 额定副边输出电压 | 1 | V | ||
| VC | 电源电压 | ±12~15(±5%) | V | ||
| IC | 电流消耗 | 20+ls | mA | ||
| Vd | 绝缘电压 | 原边与副边电路之间:2.5kV/50Hz/1min | |||
| ε L | 线性度 | <1 | %FS | ||
| X | 精度 | TA=25℃时:≤±1 | % | ||
| V0 | 失调电压 | TA =25℃时:≤±25 | mV | ||
| VOT | 失调电压温漂 | IP =0 T A =-25~+80℃时:≤±1 | mV/℃ | ||
| Tr | 响应时间 | ≤3 | μs | ||
| f | 频带宽度(-3dB ) | DC~20 | kHz | ||
| TA | 工作环境温度 | -25~+80 | ℃ | ||
| TS | 储存环境温度 | -45~+100 | ℃ | ||
| RL | 负载电阻 | TA =25℃时:≥10 | kΩ | ||


传感器应正确接线,否则可能损坏传感器内部元件
传感器焊接到线路板上时,需要用低温烙铁焊接,且时间不能过长,其次不能大幅度挤压管脚,否则可能导致内部连线开路
服务热线:400-086-3003
电话:0728-5353116 5353117
传真:0728-5353121
地址:湖北省天门市经济开发区创业大道8号